Historia de Harley-Davidson

1954-1978 – HARLEY-DAVIDSON

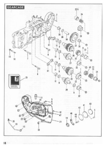
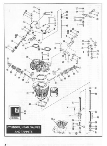
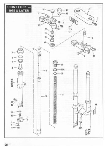
Spare Parts Catalog

Modelos KH, XLH, XLCH, 1000

Volver a la página inicial

harleyclasica.es

Si te ha gustado el artículo, por favor, compártelo en las redes sociales.

Muchas gracias

¿De cuánta utilidad te ha parecido este contenido?

¡Haz clic en una estrella para puntuarlo!

Promedio de puntuación 0 / 5. Recuento de votos: 0

Hasta ahora, ¡no hay votos!. Sé el primero en puntuar este contenido.