Historia de Harley-Davidson

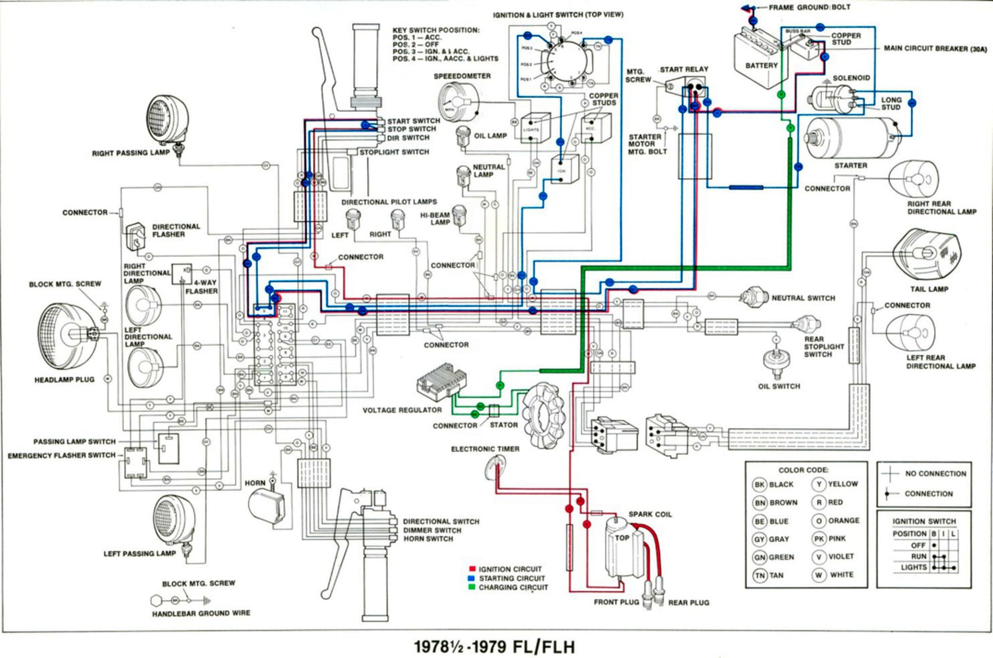
1978-1984 – Harley-Davidson

FL / FX – 1200 / 1340cc

Service Manual

Volver a la página inicial

harleyclasica.es

Si te ha gustado el artículo, por favor, compártelo en las redes sociales.

Muchas gracias

¿De cuánta utilidad te ha parecido este contenido?

¡Haz clic en una estrella para puntuarlo!

Promedio de puntuación 0 / 5. Recuento de votos: 0

Hasta ahora, ¡no hay votos!. Sé el primero en puntuar este contenido.